Teplovodná krbová vložka NEMO 8 ľavé presklenie s výsuvným otváraním dvierok
Kód produktu: NEMO/8/LEFT/LIFT
Dostupnosť: 2 - 4 týždne
Hmotnosť 240 kg
Nominálny výkon (kW) 12.0
Výkon do vody (kW) 3.8
Palivo Drevo
Materiál Oceľ
Ohnisko Voliteľné
Dvojité spaľovanie Áno
Tepolovodná krbová vložka predstavuje významnú úsporu v domácom rozpočte. Nemo je séria bezroštových vložiek v ktorých vzduch zo špeciálne navrhnutého systému kanálov vstupuje priamo do spaľovacej komory. Vzniknuté teplo sa využíva na ohrev vody v systéme ústredného kúrenia.
KRBOVÁ VLOŽKA VHODNÁ DO DOMU S REKUPERÁCIOU
Vďaka perfektnej tesnosti celého korpusu a možnosti napojenia externého prívodu vzduchu je možné krbovú vložku bezpečne použiť v domácnostiach s rekuperáciou tepla (v prípade rohových modelov je nutné zvoliť prevedenie s ohýbaným sklom).
KERAMICKÝ DEFLEKTOR REFRABOX
Dôležitým elementom krbovej vložky je deflektor, ktorý predlžuje dráhu spalín, znižuje ich teplotu a umožňuje lepšie spaľovanie, čím sa získa väčšieho množstva tepla. Znižuje sa spotreba paliva a zvyšuje účinnosť krbu. Keramický deflektor využíva vysokú tepelnú kapacitu použitého materiálu. Stabilizuje teplotu plynov opúšťajúcich spaľovaciu komoru a udržuje ich dohorenie, čo predlžuje dobu dorenia. Výrazne zvyšuje teplotu v spaľovacej komore a pomáha udržiavať sklo čisté.
REGULÁCIA PROCESU SPAĽOVANIA
Dragon sú bezroštové krbové vložky, v ktorých je regulátor umiestnený v spodnej časti pod dvierkami. Regulácia je navrhnutá tak, že každý pohyb má výrazný vplyv na proces spaľovania. Jediným tiahlom je možné ovládať primárny aj sekundárny prívod vzduchu, vďaka čomu je možné nastaviť výkon presne podľa požiadaviek užívateľa.
SYSTÉM ČISTÉHO SKLA
Sklo sa nešpiní vďaka použitiu originálneho systému, pri ktorom je pri príslušnom nastavení regulátora vzduch na sklo privádzaný špeciálnymi tryskami umiestnenými v hornej časti fasády. Čistotu skla pomáha udržiavať aj keramický deflektor.
MOŽNOSŤ KONFIGURÁCIE
Krbovú vložku je možné nakonfigurovať podľa vlastných preferencií. Voliteľný je rám dvierok - verzia RASTER (úzky rám s čiernou potlačou) alebo MODERN (oceľový rám bez potlače), ohnisko - svetlý REFRABOX alebo tmavo grafitový CERABOX a nakoniec je možné zvoliť aj jednu zo štyroch kľučiek.
IZOLOVANÁ SPAĽOVACIA KOMORA
Ohniská krbových vložek Unico sú kompletne obložené dodatočnou tepelnou izoláciou, ktorá je umiestnená za keramickým ohniskom. Hlavným prínosom tohto riešenia je rýchlejšie rozkurovanie, vyššia účinnosť a lepšie doháranie. V dome tak ostane z rovnakého množstva dreva viac tepla a menej popola.
ZÁRUKA 12 ROKOV
Vďaka použitiu najkvalitnejších materiálov pri výrobe krbových vložiek Unico nám povoľuje poskytnúť až 12-ročnú záruku na korpus. Oceľ s hrúbkou 4 mm je odolnejšia aj voči vysokému zaťaženiu - napr. prehriatiu krbu.
Hmotnosť 240 kg
Nominálny výkon (kW) 12.0
Výkon do vody (kW) 3.8
Palivo Drevo
Materiál Oceľ
Ohnisko Voliteľné
Dvojité spaľovanie Áno
Externý prívod vzduchu Áno
Popolník Nie
Účinnosť (%) 89.0
Objem výmenníka (l) 20
Max. dĺžka polien (mm) 310
Dymovod Horný
Priemer dymovodu (mm) 150
Teplota spalín (°C) 180
Kolekcia NEMO
Výrobca UNICO
Otváranie dvierok Výsuvné
Presklenie Rohové - ľavé
Typ produktu Teplovodná krbová vložka
Priemerná spotreba paliva (kg/h) 3.2
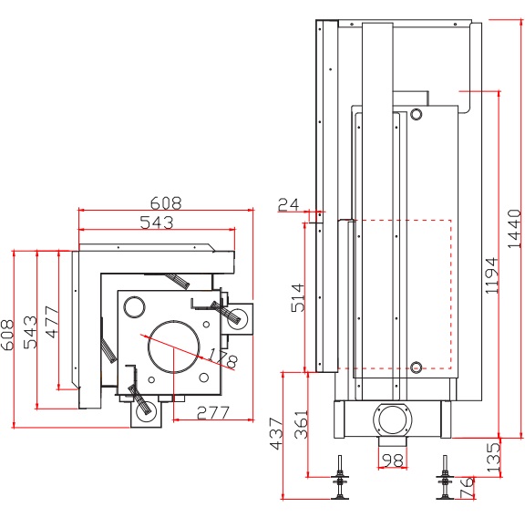
Rozmery

Prehľad dostupných prevedení

Porovnanie vlastností keramických materiálov






















